Minimal Board Editor
Minimal Board Editor(MBE)は、小さいプリント基板編集ソフトウェアです。
水魚堂オンライントップページに戻る
お知らせも定期的にごらんください
シンプルで簡単に使えることを目標に開発しています。
300mm×300mmまでの片面/両面/4層基板の設計ができます。
このプログラムはC#で記述しています。最新版の実行には、.NET Framework 4.8 が必要になります。(Version
0.53.02以前は .NET Framework 2.0)
フリーソフトウェアで、ライセンスは2条項BSDです。(0.53.01以前は配布時点ではGPL2でした)
プリント基板CADとして普通にお使いになるぶんには、無保証であることをご理解いただければ使用目的に制限はありません。
配布ファイルは Visual Studio のソリューションフォルダをそのまま圧縮したもので、実行形式とすべてのソースを同梱しています。
Minimal Board Editor のダウンロード
最新バージョン
Version 0.54.02 mbe05402.zip(557,960 bytes)のダウンロード 2025/08/26
ひとつ前のバージョン
Version 0.54.01 mbe05401.zip(549,674 bytes)のダウンロード 2022/09/04
●Version 0.54.02
同じファイルを同時にふたつのウィンドウで開かないようにしました。
●Version 0.54.01
ポリゴン配置時にメッシュ指定が無視されていたのを修正しました。(配置後のプロパティ変更だけが有効だった)
Save as で現在のファイル名をデフォルトにしました。
●Version 0.54.00
.NET Framework 4.8で動作するようにしました。
ポリゴン作成時の丸ランドの縁取りを8角形から、分割数を増やしました。ほぼ丸に見えます。
ポリゴンの塗りつぶし方法として、メッシュも選択できるようにしました。
●Version 0.53.02
L2、L3レイヤーでネストしたポリゴンを作成したときに、パターンのタッチが発生する問題の対策。これにともなって、内層のランドの形状がObroundに固定になりました。
ポリゴンの最小トレースと最小ギャップを0.127㎜にしました。
●Version 0.53.01
user.configの編集で、ガーバーデータの単位をmmにできるようにしました。
この改訂で、従来のインチ出力まわりも少し手が入ってしまいました。
基板屋さんに送るデータを作る場合は、インチでもmmでもガーバービューワなどで十分なチェックをしてください。
●Version 0.53.00
DOCレイヤーの文字データをMBEフォントにして、ガーバー出力できるようにしました。PDFではなく、ガーバーデータで基板屋さんに注釈を送る場合などに使えます。
●Version 0.52.00
テキストオブジェクトの最小サイズを0.3mmに変更。おもにDOCレイヤーでの書き込みのため。
●Version 0.51.14
1キーでツールを切り替える設定のときに、起動後にキーでコンポーネントモードにしたら落ちる問題の対策。
●Version 0.51.13
テキスト、コンポーネントのモードで配置した未確定オブジェクトを移動すると、カーソルと十字ポインタがずれる問題の対策。
●Version 0.51.08、0.51.09をお使いの方へ
Version 0.51.08 と 0.51.09で実装した文字列の描画方法にバグがあり、拡大表示にすると動作が重くなり、さらに拡大すると、Minimal Board Editorが落ちることが分かりました。Version 0.51.10から、文字列の描画方法を0.51.07以前に戻しました。
Version 0.51.10以降への差し替えをお勧めします。
より以前のバージョンアップの内容は下の Minimal Board Editorの履歴 をご覧ください。
0.48.xx→0.49.xxおよび、0.49.xx→0.50.xx、0.50.xx→0.51.xx、0.53.xx→0.54.xxのバージョンアップではデータ形式を追加しました。
新しいバージョン作成したデータを、過去のMinimal Board Editorで読むとデータが失われる場合があります。
特にMB3ファイルをほかの方に渡される場合は、相手の方がお使いのMinimal Board Editor のバージョンにご注意ください。
Minimal Board Editor の履歴
改版の内容について書いています。
Minimal Board Editor マニュアル
ソフトウェアの改版とともに整備しています。
Minimal Board Editor Version 0.44.00 マニュアルダウンロード(mbeman04400.zip)
Version 0.44.00までのオンラインマニュアルをヘルプましんでまとめて圧縮したものです。
Minimal Board Editor の制作メモ
仕様やマニュアルに書ききれていない操作のポイントなどを書いています。
Olimexに注文
Minimal Board Editor で作ったデータで、Olimexに注文してみました。
発注のために作った基板データをサンプルとしてダウンロードすることができます。
ウィルスバスター2008が警告を出してきたら…
コンポーネント作成手順例 2011/02/08
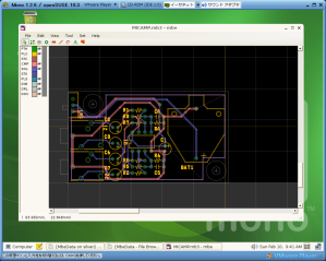
Mono上のMinimal Board Editor
MonoはLinux、Macなどで .NETアプリを実行するクロスプラットフォーム環境です。
上のスクリーンショットは、MonoをインストールしたopenSUSE LINUXでMinimal Board Editorを実行しているところです。
Mono 2.4.xまでは、MONOオプションでMinimal Board Editorをコンパイルしなくてはいけませんでしたが、(Mono上でのMinimal Board Editorの動作とビルド)Mono 2.6.1では一部の違いをのぞいてWindows用に作成した Minimal Board Editor Version 0.49.00がそのまま動作するようになりました。(印刷はまだ確認できていません)
Minimal Board Editor Version 0.40からライブラリを呼び出す機能が追加されました。(それ以前のバージョンでは複数のMinimal Board Editorを起動してコピー&ペースト)
それに伴って、サンプルライブラリを更新しました。
Componentの属性のNameに部品名を入れて、呼び出し時に名前が見えるようになっています。
SAMPLELIB-DIP.zip(2,940bytes)のダウンロード
Minimal Board Editor はDOCレイヤー(説明、備考用レイヤー)以外には、日本語文字列を配置することができません。
jtext4mbe は、シルクやパターンのレイヤーに、日本語文字列をLineデータを使って配置するためのソフトウェアです。
フォントデータとして、坂 直純さんの、KST32B Version 2.0 を使わせていただいています。
KTS32Bはフリーのストロークフォントデータで、ベクターから入手することができます。
C#のソースコード同梱。
最新バージョン
jtext4mbe Version 0.20.00 jt4mbe02000.zip(108,036bytes)のダウンロード
jtext4mbeの履歴
SmdICpadは、Minimal Board Editorのための、表面実装ICのパッドデータ作成支援ソフトです。
ピン数や寸法を記入して、COPYボタンを押すと、クリップボードにパッドデータをコピーします。あとはMinimal Board
Editorでペーストして、シルクなどのデータを追加してComponentingするだけです。
Version 0.20.00では、Rotateで回転角(反時計方向)を指定できるようになりました。
0度以外の値を指定すると、傾いた部品を生成できます。
Minimal Board Editorには斜めのパッドの情報がありません。そのため、SmdICpadでは、PADデータとLINEデータを組み合わせて疑似的な斜めパッドを生成します。
最新バージョン 2012/08/10
SmdICpad Version 0.20.00 SmdICpad02000.zip(196,495bytes)のダウンロード
ひとつ前のバージョン
SmdICpad Version 0.1 smdicpad010.zip(176,066bytes)のダウンロード
Simple Calculator は式入力で計算を行う電卓ソフトです。
計算式を入力してCalcボタンを押すと計算結果を表示すると同時にクリップボードにテキストでコピーします。
部品のピッチやパッドの間隔など細かい計算が必要なときにご活用ください。
C#のソースコード同梱。
Simple Calculator Version 0.11 scalc011.zip(59,601bytes)のダウンロード
Excelで作るMinimal Board Editor のサポートツール

Excelで計算して作ったデータを Minimal Board Editor に貼り付けることができます。
マクロは使っていません。LibreOfficeでも使えます。
正多角形の配置ツール
Minimal Board Editorには円形のポリゴンを配置する機能がありません。
このExcelシートはそれを補うために作ったものです。
mbeRegularPolygon.zip mbeRegularPolygon.zip (12,791 bytes) のダウンロード
PTHを連続配置するためのツール
QFPのパッドを作成するためのツールとしてはSmdICpadがあります。
それに対して、こちらはPTHを指定したピッチに並べて、ピン番号を割り付けるためのものです。
mbePTHhelper.zip mbePTHhelper.zip (13,809 bytes) のダウンロード